Non Rising Spindle Sluice Valves

Ratings :-150 #, 300 #, 600 #, 800 #, 900 #, 1500 # & PN 10 to PN 100

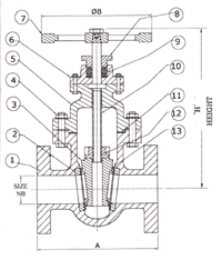
SLUICE VALVES AS PER IS780
No. Description Quantity Material
1 BODY 1 Cast Iron - GG25 / IS 210 Gr. FG 200 / 220
2 BODY RING 2 S.S.AISI 410 / Bronze
3 WEDGE 1 Cast Iron - GG25 / IS 210 Gr. FG 200 / 220
4 STUD & NUT As Required ASTM A 193 Gr. B7 & ASTM A 194 Gr.2H
5 BONNET 1 Cast Iron - GG25 / IS 210 Gr. FG 200 / 220
6 STUING BOX 1 Cast Iron - GG25 / IS 210 Gr. FG 200 / 220
7 HAND WHEEL 1 Cast Iron - GG25 / IS - 210 Gr. FG 200 / 220
8 GLAND PLATE 1 Cast Iron - GG25 / IS 210 Gr. FG 200 / 220
9 GLAND PACKING As Required GRAPHITED ASBESTOS
10 SPINDLE 1 S.S.AISI 410
11 GASKET 1 CAF
12 WEDGE NUT 1 Bronze
13 WEDGE RING 1 S.S.AISI 410 / Bronze
SLUICE
SIZE NB A B H
2" 215 225 425
21/2" 230 225 437
3" 230 225 462
4" 255 320 511
5" 266 320 600
6" 280 320 645
8" 318 360 733
10" 355 400 864
12" 380 450 943
    Design Features / Options
  • Manufacturing & FACE TO FACE Standards - IS 780
  • Available with Flanges as per is 1538 / BS Table D, E, F
  • Testing As Per IS 780
  • Also available with Rising Spindle Design
  • Valves above 6" Sizes with Threaded Body Rings
TEST PRESSURE Kg / Cm2
HYDROSTATIC
CLASS Body Seat & Back Seat AIR
Seat
1 20 10 6