DIN Globe Valves
Ratings :- 150 #, 300 #, 600 #, 800 #, 900 #, 1500 # & PN 10 to PN 100
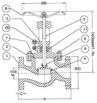
| No. | Description | Quantity | Material |
|---|---|---|---|
| 1 | BODY | 1 | Cast Iron - GG25 / IS 210 Gr. FG 200 / 220 |
| 2 | BONNET | 1 | Cast Iron - GG25 / IS 210 Gr. FG 200 / 220 |
| 3 | GLAND PLATE | 1 | Cast Iron - GG25 / IS 210 Gr. FG 200 / 220 |
| 4 | BODY RING | 1 | S.S.AISI 410 / Bronze |
| 5 | SPINDLE | 1 | S.S.AISI 410 |
| 6 | STOPPER | 1 | S.S.AISI 410 / Bronze |
| 7 | GASKET | 1 | PURE GRAPHITE |
| 8 | HAND WHEEL | 1 | Cast Iron - GG25 / IS - 210 Gr. FG 200 / 220 |
| 9 | STUD & NUT | As Required | ASTM A 193 Gr. B7 & ASTM A 194 Gr.2H |
| 10 | EYE BOLT | 1 | CARBON STEEL |
| 11 | GLAND PACKING | As Required | GRAPHITED ASBESTOS |
| SIZE NB | A | D | C | B | H |
|---|---|---|---|---|---|
| 15 | 130 | 95 | 14 | 115 | 190 |
| 20 | 150 | 105 | 16 | 115 | 190 |
| 25 | 160 | 115 | 16 | 135 | 190 |
| 32 | 180 | 140 | 18 | 135 | 205 |
| 40 | 200 | 150 | 18 | 150 | 227 |
| 50 | 230 | 165 | 20 | 150 | 230 |
| 65 | 290 | 185 | 20 | 220 | 287 |
| 80 | 310 | 200 | 22 | 220 | 300 |
| 100 | 350 | 220 | 24 | 295 | 362 |
| 125 | 400 | 250 | 26 | 295 | 395 |
| 150 | 480 | 285 | 26 | 295 | 480 |
| 200 | 600 | 340 | 30 | 390 | 560 |
| 250 | 730 | 405 | 32 | 390 | 617 |
| 300 | 850 | 460 | 32 | 390 | 690 |
| CLASS | Body | Seat & Back Seat | AIR Seat |
|---|---|---|---|
| PN - 16 | 25 | 16 | 6 |