ASA Gate Valves
Ratings :- 150 #, 300 #, 600 #, 800 #, 900 #, 1500 # & PN 10 to PN 100
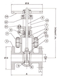
| No. | Description | Quantity | Material |
|---|---|---|---|
| 1 | BODY | 1 | Cast Iron - GG25 / IS 210 Gr. FG 200 / 220 |
| 2 | BONNET | 1 | Cast Iron - GG25 / IS 210 Gr. FG 200 / 220 |
| 3 | WEDGE | 1 | Cast Iron - GG25 / IS - 210 Gr. FG 200 / 220 |
| 4 | BODY RING | 1 | S.S.AISI 410 / Bronze |
| 5 | SPINDLE | 1 | S.S.AISI 410 |
| 6 | BACK SEAT | 1 | S.S.AISI 410 |
| 7 | GLAND PLATE | 1 | Cast Iron - GG25 / IS 210 Gr. FG 200 / 220 |
| 8 | WEDGE RING | 2 | S.S.AISI 410 / Bronze |
| 9 | GLAND PACKING | As Required | GRAPHITED ASBESTOS |
| 10 | STUD & NUT | As Required | ASTM A 193 Gr. B7 & ASTM A 194 Gr.2H |
| 11 | EYE BOLT | 1 | CARBON STEEL |
| 12 | YOKE SLEEVE | 1 | Cast Iron - GG25 / IS 210 Gr. FG 200 / 220 |
| 13 | YOKE | 1 | Cast Iron - GG25 / IS 210 Gr. FG 200 / 220 |
| 14 | HAND WHEEL | 1 | Cast Iron - GG25 / IS - 210 Gr. FG 200 / 220 |
| 15 | GASKET | 1 | CAF |
| SIZE NB | A | D | B | H |
|---|---|---|---|---|
| 2" | 178 | 152 | 225 | 349 |
| 21/2" | 190.5 | 178 | 225 | 387 |
| 3" | 203 | 190.5 | 225 | 413 |
| 4" | 229 | 228.6 | 320 | 464 |
| 5" | 254 | 254 | 320 | 533 |
| 6" | 267 | 279.5 | 320 | 584 |
| 8" | 292 | 343 | 360 | 708 |
| 10" | 330 | 406.4 | 400 | 803 |
| 12" | 356 | 483 | 450 | 892 |
| CLASS | Body | Seat & Back Seat | AIR Seat |
|---|---|---|---|
| 125 | 24 | 14 | 6 |