DIN Globe Valves

Ratings :-150 #, 300 #, 600 #, 800 #, 900 #, 1500 # & PN 10 to PN 100

DIN STANDARD GLOBE VALVES - PN - 40 / ND40
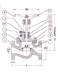
No. Description Quantity Material
1 BODY 1 Cast Steel - GSC25N
2 BONNET 1 Cast Steel - GSC25N
3 GLAND PLATE 1 Cast Steel - GSC25N
4 BODY RING 1 S.S.AISI 410 / STELLITED ST-6
5 SPINDLE 1 S.S.AISI 410
6 STOPPER 1 S.S.AISI 410 / STELLITED ST-6
7 GASKET 1 PURE GRAPHITE
8 HAND WHEEL 1 Cast Iron - GG25 / IS - 210 Gr. FG 200 / 220
9 STUD & NUT As Required ASTM A 193 Gr. B7 & ASTM A 194 Gr.2H
10 EYE BOLT 2 Carbon Steel
11 YOKE SLEEVE 1 GGG-40 / S.G, IRON / D-2
12 GLAND BUSH 1 S.S.AISI 410
13 GLAND PACKING As Required GRAPHITED ASBESTOS
PN - 40
SIZE NB A D C B H
15 130 95 14 115 200
20 150 105 16 115 200
25 160 115 16 135 200
32 180 140 18 135 230
40 200 150 18 150 250
50 230 165 20 150 255
65 290 185 20 220 310
80 310 200 22 220 342
100 350 220 24 295 440
125 400 250 26 295 460
150 480 285 26 295 498
200 600 340 30 390 685
250 730 405 32 390 710
300 850 460 32 390 820
    Design Features / Options
  • Manufacturing Standards - DIN 3356 F1
  • Face to Face As Per DIN 3202
  • Testing As Per BS 6755 / API 598
  • Also available in Alloy Steel & Stainless Steel
  • Also available with Stellited Seat.
  • Available with ACTUATOR OPERAION
  • Available with External Bypass Arrangement For Larger Sizes.
  • Available with IBR APPROVED CERTIFICATE IN FORM TC-III
TEST PRESSURE Kg / Cm2
HYDROSTATIC
CLASS Body Seat & Back Seat AIR
Seat
PN - 16 63 40 6