ASA Globe Valves
Ratings :-150 #, 300 #, 600 #, 800 #, 900 #, 1500 # & PN 10 to PN 100
| No. | Description | Quantity | Material |
|---|---|---|---|
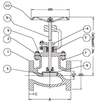
| 1 | BODY | 1 | Cast Iron - GG25 / IS 210 Gr. FG 200 / 220 |
| 2 | BONNET | 1 | Cast Iron - GG25 / IS 210 Gr. FG 200 / 220 |
| 3 | GLAND PACKING | As Required | GRAPHITED ASBESTOS |
| 4 | GLAND PLATE | 1 | Cast Iron - GG25 / IS 210 Gr. FG 200 / 220 |
| 5 | BODY RING | 1 | S.S.AISI 410 / Bronze |
| 6 | STOPPER | 1 | S.S.AISI 410 / Bronze |
| 7 | STUD & NUT | As Required | ASTM A 193 Gr. B7 & ASTM A 194 Gr.2H |
| 8 | SPINDLE | 1 | S.S.AISI 410 |
| 9 | GASKET | 1 | CAF |
| SIZE NB | A | D | C | B | H |
|---|---|---|---|---|---|
| 1/2" | 108 | 89 | 11.2 | 102 | 175 |
| 3/4" | 118 | 89 | 11.2 | 102 | 180 |
| 1 | 127 | 108 | 11.2 | 102 | 200 |
| 11/4" | 140 | 117 | 12.7 | 140 | 200 |
| 11/2" | 165 | 127 | 14.3 | 140 | 260 |
| 2" | 203 | 152 | 16 | 203 | 330 |
| 21/2" | 216 | 178 | 17.5 | 203 | 334 |
| 3" | 241.5 | 190.5 | 19 | 254 | 395 |
| 4" | 292 | 228.6 | 23.8 | 305 | 470 |
| 5" | 356 | 254 | 23.8 | 305 | 510 |
| 6" | 406.5 | 279.5 | 25.4 | 356 | 570 |
| 8" | 495.5 | 343 | 28.6 | 406 | 642 |
| 10" | 622.5 | 406.4 | 30 | 406 | 768 |
| 12" | 698.5 | 483 | 32 | 508 | 770 |
| CLASS | Body | Seat & Back Seat | AIR Seat |
|---|---|---|---|
| 125 | 24 | 14 | 6 |