FS Globe Valves

Ratings :-150 #, 300 #, 600 #, 800 #, 900 #, 1500 # & PN 10 to PN 100

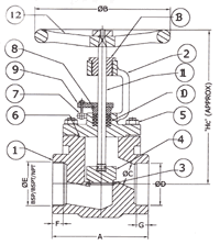
FORGED STEEL GLOBE VALVES 800 #
No. Description Quantity Material
1 BODY 1 ASTM A 105
2 BONNET 1 ASTM A 105
3 BODY RING 1 S.S.AISI 410 / STELLITED ST - 6
4 DISC 1 S.S.AISI 410 / STELLITED ST - 6
5 STUD & NUT As Required ASTM A 193 Gr. B7 & ASTM A 194 Gr.2H
6 GASKET 1 CAF
7 EYE BOLT 2 Carbon Steel
8 GLAND BUSH 1 S.S.AISI 410
9 GLAND PLATE 1 Cast Steel - GSC25N / IS 210 Gr. FG 200 / 220
10 GLAND PACKING As Required GRAPHITED ASBESTOS
11 SPINDLE 1 S.S.AISI 410
12 HAND WHEEL 1 Cast Iron - GG25 / IS - 210 Gr. FG 200 / 220
13 YOKE SLEEVE 1 S. G. IRON / D -2 / AL BRONZE
Socket Weld Ends Screwed Ends
SIZE NB A C D F B H
15 80 9 21.7 13.5 89 145
20 90 12 27.1 14 89 154
25 100 17.5 33.8 17.5 89 173
32 122 22.5 42.8 18 146 229
40 122 29.5 48.6 18.5 146 229
50 140 35 61.1 19 146 235
    Design Features / Options
  • Manufacturing Standards - BS 5352 / API 602
  • Face to Face As Per ANSI B 16.11
  • Testing As Per BS 6755
  • Screwed Ends AS per B 2.1
  • Available in Alloy Steel Material F-11 & F-12
  • Available in Stainless steel Material
  • Availabler with IBR Approved Certificate in Form TC - III
  • Available in class 1500 # Also
TEST PRESSURE Kg / Cm2
HYDROSTATIC
CLASS Body Seat & Back Seat AIR
Seat
800 211 141 6