Right Angel Valves

Ratings :-150 #, 300 #, 600 #, 800 #, 900 #, 1500 # & PN 10 to PN 100

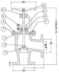
RIGHT ANGLE VALVES PN - 16
No. Description Quantity Material
1 BODY 1 Cast Iron - GG25 / IS 210 Gr. FG 200 / 220
2 BONNET 1 Cast Iron - GG25 / IS 210 Gr. FG 200 / 220
3 BODY RING 1 S.S.AISI 410 / Bronze
4 STOPPER 1 S.S.AISI 410 / Bronze
5 STUD & NUT As Required ASTM A 193 Gr. B7 & ASTM A 194 Gr.2H
6 EYE BOLT 2 CARBON STEEL
7 GASKET 1 CAF
8 GLAND PACKING As Required GRAPHITED ASBESTOS
9 GLAND PLATE 1 Cast Iron - GG25 / IS 210 Gr. FG 200 / 220
10 SPINDLE 1 S.S.AISI 410
11 HAND WHEEL 1 Cast Iron - GG25 / IS - 210 Gr. FG 200 / 220
PN - 16
SIZE NB L A B D H
11/2" 115 150 18 140 195
2" 125 165 20 160 200
21/2" 145 185 20 215 235
3" 155 200 22 215 240
4" 175 220 24 285 314
5" 200 250 26 285 330
6" 225 225 26 290 390
8" 275 340 30 390 430
    Design Features / Options
  • Testing As Per BS 6755 / API 598
  • Available with Flate Seat & Taper Seat
  • Available in PN 40 Rating with CS / SS410 Combination
  • Also available with EXTENDED STEM
  • Available with ACTUATOR OPERAION
  • Available in Alloy / Stainless Steel Material
TEST PRESSURE Kg / Cm2
HYDROSTATIC
CLASS Body Seat & Back Seat AIR
Seat
PN-16 25 16 6