FS Check Valves
Ratings :-
Application:
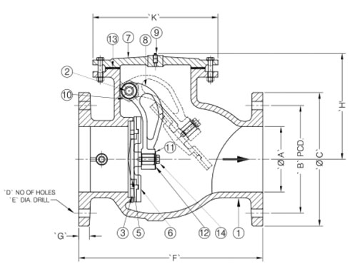
The Cast Iron Swing check type Reflux Valves are strictly manufactured as per IS: 5312 Part-I. These Valves are generally used to maintain flow of water in only one direction and stop the return flow of water. They are self operative by pressure only. These valves are used in water main lines all over the world especially in hilly areas. These can be fitted in horizontal position.
| Design and Manufacturing | IS 5312 (Part 1): 2004 |
| Valve face to face dimensions | IS 5312 (Part 1): 2004 |
| Valve Inspection and Testing | IS 5312 (Part 1): 2004 |
| Flange Standard | IS 1538/BS 10 Table D/E |
| Size Range | 50mm TO 300mm |
| Body, Door, Hinge, Cover, Door Ring | Cast Iron, Spheroidal Cast Iron |
| Hinge Pin, Door Pin and Door Suspension Pin | Stainless Steel, High tensile brass |
| Body seat rings | Leaded tin bronze, Stainless steel |
| Door face rings | Leaded tin bronze, Natural/synthetic Rubber,Stainless Steel |
| Bearing bushes/Bearing block | Leaded tin bronze, P.T.F.E. |
| Plug for Hinge pin/ Air release plug | Leaded tin bronze, Stainless Steel |
| Bolts | Carbon steel (Class 4.6) Carbon steel (Class 4.0) |
| Gaskets | Natural Rubber (Type B), CAF |
| PN Rating | Test Pressure for | Test Pressure MPa (Gauge) |
|---|---|---|
| PN 1.0 | Body | 1.5 | Seat | 1 |
| PN 1.6 | Body | 2.4 | Seat | 1.6 |