ASA Globe Valves
Ratings :-150 #, 300 #, 600 #, 800 #, 900 #, 1500 # & PN 10 to PN 100
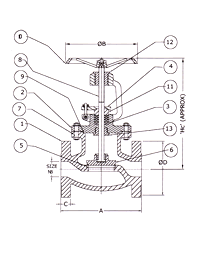
| No. | Description | Quantity | Material |
|---|---|---|---|
| 1 | BODY | 1 | ASTMA216Gr. WCB |
| 2 | BONNET | 1 | ASTMA216Gr. WCB |
| 3 | GLAND PACKING | As Required | GRAPHITED ASBESTOS / WIRE REINFORCED BRAIDED PACKING / PURE GRAPHITE |
| 4 | GLAND PLATE | 1 | ASTMA216Gr. WCB |
| 5 | BODY RING | 1 | S.S.AISI 410 / STELLITED ST-6 |
| 6 | STOPPER | 1 | S.S.AISI 410 / STELLITED ST-6 |
| 7 | STUD & NUT | As Required | ASTM A 193 Gr. B7 & ASTM A 194 Gr.2H |
| 8 | SPINDLE | 1 | S.S.AISI 410 |
| 9 | GASKET | 1 | WIRE WOUND CAF / PURE GRAPHITE |
| 10 | HAND WHEEL | 1 | DUCTILE IRON |
| 11 | GLAND BUSH | 1 | S.S.AISI 410 |
| 12 | YOKE SLEEVE | 1 | GGG-40 / S.G, IRON / D-2 |
| 13 | BACK SEAT | 1 | S.S.AISI 410 |
| SIZE NB | A | D | C | B | H | |
|---|---|---|---|---|---|---|
| 2" | 203 | 152 | 16 | 203 | 330 | |
| 21/2" | 216 | 178 | 17.5 | 203 | 334 | |
| 3" | 241.5 | 190.5 | 19 | 254 | 395 | |
| 4" | 292 | 228.6 | 23.8 | 305 | 470 | |
| 5" | 356 | 254 | 23.8 | 305 | 510 | |
| 6" | 406.5 | 279.5 | 25.4 | 356 | 570 | |
| 8" | 495.5 | 343 | 28.6 | 406 | 642 | |
| 10" | 622.5 | 406.5 | 30 | 406 | 768 | |
| 12" | 698.5< | 483 | 32 | 508 | 770 |
| SIZE NB | A | D | C | B | H |
|---|---|---|---|---|---|
| 2" | 267 | 165 | 22.2 | 203 | 350 |
| 21/2" | 292 | 190.5 | 25.4 | 254 | 355 |
| 3" | 317.5 | 210 | 28.6 | 254 | 450 |
| 4" | 356 | 254 | 32 | 305 | 515 |
| 5" | 400 | 279.5 | 35 | 356 | 530 |
| 6" | 444.5 | 317.5 | 36.5 | 356 | 600 |
| 8" | 559 | 381 | 41.5 | 406 | 730 |
| 10" | 622.5 | 444.5 | 48 | 406 | 840 |
| 12" | 711.5 | 521 | 51 | 508 | 1005 |
| SIZE NB | A | D | C | B | H |
|---|---|---|---|---|---|
| 2" | 292 | 165 | 32 | 203 | 385 |
| 21/2" | 330 | 190.5 | 35 | 254 | 391 |
| 3" | 356 | 210 | 38 | 254 | 485 |
| 4" | 432 | 273 | 44.5 | 305 | 623 |
| 5" | 508 | 330.5 | 51 | 356 | 660 |
| 6" | 559 | 356 | 54 | 356 | 778 |
| 8" | 660.5 | 419 | 62 | 406 | 828 |
| 10" | 787.5 | 500 | 70 | 508 | 942 |
| 12" | 838.5 | 559 | 70 | 508 | 1060 |
| CLASS | Body | Seat & Back Seat | AIR Seat |
|---|---|---|---|
| ASA150# | 32 | 22 | 6 |
| ASA 300# | 79 | 57 | 6 |
| ASA 600# | 156 | 114 | 6 |