FS Check Valves

Ratings :-150 #, 300 #, 600 #, 800 #, 900 #, 1500 # & PN 10 to PN 100

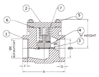
FORGED STEEL GATE VALVES 800#
No. Description Quantity Material
1 BODY 1 ASTM A 105
2 COVER 1 ASTM A 105
3 BODY RING 2 S.S.AISI 410 / STELLITED ST - 6
4 DISC 1 S.S.AISI 410 / STELLITED ST - 6
5 STUD & NUT 4 ASTM A193 Gr. B7 & ASTM A 194 Gr.2H
6 GASKET 1 WIRE WOUND CAF
7 SPRING 1 SPRING STEEL
Socket Weld Ends Screwed Ends
SIZE NB A C D G F B H
15 80 9 21.7 9.5 13.5 56
20 90 12 27.1 12.7 14 67
25 100 17.5 33.8 12.7 17.5 70
32 122 22.5 42.8 12.7 18 100
40 122 29.5 48.6 12.7 18.5 100
50 140 35 61.1 16 19 108
    Design Features / Options
  • Manufacturing Standards - BS 5352 / API 602
  • Face to Face As Per ANSI B 16.11
  • Testing As Per BS 6755
  • Screwed Ends AS per B 2.1
  • Available in Alloy Steel Material F-11 & F-22
  • Available in Stainless steel Material
  • Availabler with IBR Approved Certificate in Form TC - III
  • Available in class 1500 # Also
TEST PRESSURE Kg / Cm2
HYDROSTATIC
CLASS Body Seat & Back Seat AIR
Seat
800 211 141 6